ȸ»ç¼Ò°³ Á¦Ç°¼Ò°³ ±â¼úÇöȲ ´ëÇ¥ÀÚÀλ縻 »ý»êÇöÀå °Ô½ÃÆÇ ¹æ¸í·Ï



Magnetic Float type Level Gauge, model HMG

Untitled Document
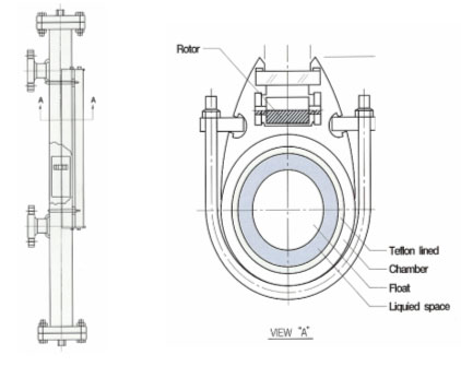
The model HMG is consisted of a front chamber which is connected to a vessel and an indicator which is closely mounted to the chamber. A piece of magnet enclosed in the chamber and floating on the level of liquid drives the indicator element which clearly indicates the level as the level changes.

We recommend this model, HMG apply to even where the conven- tial gauges are not applicable for various reasons i.e.in such a case as the nature or quality of the liquid be changed by energy of light.

Under high pressure upto 150 Kgf/cm2, high temperature upto 400¡É, extremly low temperature or low gravity.

Alam contacts and/or analog output can be provided with for remote monitoring/control of liquid level.

Titanium Float
Special material, P.P/PVC/PVDF/TEFLON LINED
Option, such as with Transmitter, Limited Switch.



Á¦Ç°¼Ò°³·Î


 

ȨÆäÀÌÁö : http://hitel.koreasme.com
ȸ»ç¸í : ÇÏÀÌÅÚÆÄÀÌ
ÀüÈ­¹øÈ£ : 02-2675-7139
ÆÑ½º¹øÈ£ : 02-2675-7359
ÁÖ¼Ò : ¼­¿ï½Ã ¿µµîÆ÷±¸ ¹®·¡3°¡ 58-68(¿ìÆí¹øÈ£: 150-185)
URL : http://www.hitelfi.co.kr
E-mail : hitelfi@chollian.net